Проект двухэтажного дома из газобетона с гаражом, 200 кв.м.
6 420 554 руб.Проект СДТ-5700
| Цена: | 6 420 554 руб. |
|---|---|
| Площадь: | 200 м2 |
| Материал стен: | газоблоки |
| Кол-во этажей: | 2 |
| Кол-во спален: | 4 |
* цена строительства в оптимальной комплектации, стоимость проекта включена
Оцените проект
Назад в каталог
или смотреть
Каталог проектов от наших партнёров
Описание
Эффектный коттедж в скандинавском стиле.
На стенах дома сочетаются светлая штукатурка, облицовочный кирпич и небольшие вставки из деревянного сайдинга. Узор, который образуется при сочетании отделочных материалов, подчеркивает форму здания и делает его визуально выше. Самостоятельным украшением фасада являются панорамные окна оригинальной формы. Балкон, крыльцо и терраса оформлены лаконичными перилами из деревянных реек. Облик дома стильный и современный.
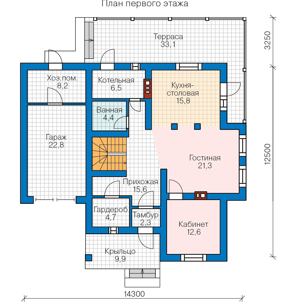
На первом этаже располагается кухня-гостиная (37 кв.м). Это единое светлое помещение, разделенное двумя колоннами для облегчения функционального зонирования. Однако форма комнаты позволяет легко отделить кухню от гостиной небольшой дополнительной перегородкой, если обладатели дома предпочитают более закрытую планировку. Из кухни можно выйти на просторную террасу (33 кв.м), на которой поместится все необходимое для прекрасного отдыха в теплое время года. К гостиной примыкает рабочий кабинет (12,6 кв.м), который может использоваться и как гостевая комната. Также на этаже размещаются ванная (4,4 кв.м), котельная (6,5 кв.м), тамбур (2,3 кв.м), гардероб (4,7 кв.м), холл-прихожая (15,6 кв.м).
К дому примыкает гараж (22,8 кв.м), оборудованный хозяйственным помещением (8,2 кв.м).
На втором этаже четыре уютные спальни (от 12 до 16 кв.м). Одна из комнат имеет выход на балкон (7,3 кв.м). На этаже предусмотрены ванная (5 кв.м) и гардеробная (5,6 кв.м). Соединяет все помещения холл (16,7 кв.м).
Размеры в плане: 14,8x13 м
Фундамент: монолитный ленточный ж/б
Наружные стены: газобетонные блоки
Перекрытия: монолитные ж/б
Кровля: мансардная
Покрытие кровли: металлочерепица
Наружная отделка: штукатурка
Проект предоставлен нашими партнерами «Проекты Коттеджей»
Указана цена строительства 6 420 554 руб. в оптимальной комплектации










